Wattenscheider Schachtsignal

Achtung: Diese Seite ist ein Vorab-Stand und beschreibt einen Prototypen. Ob dies eine tragbare Lösung ist, muss sich in der Praxis noch heraus stellen.

Hier geht es um den Bau von Flügelsignalen, die in einem Wattenscheider Signalschacht für Spur N betrieben werden können und deren Ansteuerung. Sinn und Zweck der "Wattis" werden als bekannt vorausgesetzt und hier nicht weiter erläutert. Zunächst entstehen 2 Vissmann-Signale (Bausatz ohne Antrieb) mit gekoppelten Flügeln, die als Einfahrtsignal(e) für Neuntal, entweder für ein bereits vorhandenes Streckenmodul mit Schacht, oder für ein später noch zu bauendes Spitzkehrenmodul, eingesetzt werden können.

Zum Überblick: Der Schacht hat die lichten Maße von 17x17 mm. Ich habe daher für die Außenmaße des Trägers 16,5x16,5 mm gewählt, wobei die Kanten deutlich gebrochen werden mussten, da das Schacht-Rohr innen leicht gerundete Ecken besitzt, bzw. Leim- und Farbreste innen im Schacht vorzufinden sind. Der Stelldraht für die Flügel wird durch ein Micro-Linearservo DS15 direkt betätigt, dessen Anschluss herausgeführt ist. Für die bedarfsweise Beleuchtung mit 12 - 16 V gibt es eine separate Buchse (JST BEC), die entweder aus einem separaten Netzteil oder direkt aus der DCC-Gleisspannung geholt werden könnte (was in einem FREMO-Arrangement jedoch zu unangenehmen Diskussionen führen könnte). Der Signalträger enthält, außer der integrierten Servoelektronik, also keinerlei Elektronik. Jedwede Elektronik, die einen Servo-Impuls erzeugen kann, könnte also zur Ansteuerung genommen werden. Bei mir werkelt in der Stellbox ein Arduino-Nano mit der passenden Software.

Bild 1 Installiertes Signal in Streckenmodul.

Bild 2 Blick von unten auf den Signalträger im Schacht mit noch provisorischer Verdrahtung.


Signalträger

Der Signalträger besteht aus 3 mm bzw. 5 mm starken Pertinax-Teilen. Pertinax deswegen, weil es stabil, hitzebeständig, nichtleitend und gut bearbeitbar ist. Die Bilder zeigen den Prototypen. Ich würde den Träger heute etwas anders bauen - z.B. nur 2 Schrauben verwenden. Daher gibt es zunächst auch keine Zeichnung. Die Einzelteile sind gefräst, was eine sehr gute Genauigkeit ergibt. Man kann ein ähnliches Ergebnis auch ohne Fräse erreichen, indem man die Einzelteile z.B. geschickt aus mehreren dünneren Teile zusammensetzt und verklebt. Das Servo DS15 ist auf einer dünnen Leiterplatte aufgebaut, deren Unterseite die SMD-Bauelemente der Servo-Elektronik enthält. Entweder man setzt das Servo auf Abstandshalter, oder erzeugt eine Vertiefung als Platz für die Elektronik. Ich habe mich für die zweite Variante entschieden (Bild 3).

Ein besonderes Thema ist die Verbindung des Stelldrahtes mit dem Servo-Hebel, siehe Bild 7. Die Verbindung sollte verstellbar sein. Es brauchte also eine Art Klemmung in Form eines Quaders mit dem Maßen von 4x4x7,4 mm. In der Längsbohrung steckt der Stelldraht. Eine Querbohrung hält einen kleinen Bolzen zur Verbindung mit dem Stellhebel (ich habe zunächst eine 1 mm Schwellenschraube für den Bolzen verwendet). In der anderen Querbohrung sitzt eine M2-Schraube, die den Stelldraht klemmt. Damit der Quader nicht mit dem etwa überstehenden Servomotor in Konflikt kommt, musste eine Kante des Quaders noch leicht eingefräst werden. Und auch an der Stelle, wo der Stellhebel anliegt, ist eine ca. 1 mm tiefe Aussparung. Von diesem Teil werde ich später noch eine Zeichnung nachreichen.

Bild 3 Platz für die Servoelektronik ist ausgefräst.

Bild 4 Probeweiser Betrieb an einem ESU-Weichendecoder.

Bild 5 Signalträger fertig verdrahtet.

Bild 6 Signal mit Entwicklungsplatine für die Schaltbox.

Bild 7 Klemmung des Stelldrahtes.

Bild 8 Platinenteile in Bearbeitung.


Schaltbox

Die Platine sollte in ein Gehäuse passen, wie sie auch für die FREMO-Loconet-Box verwendet wird. Das bedeutet eine Größe von 60x50 mm. Ich baue Elektroniken mit so wenig Elementen und wenigen Exemplaren gerne auf Lochrasterplatten und erspare mir so das Ätzen einer speziellen Platine. Die Platte trägt auch 3 LEDs und 2 Kurzhubtaster und ist mit 4 M2-Schrauben auf 5,5 mm Abstandshalter am Deckel der Box befestigt. Die LEDs strahlen in Richtung Platinen-Unterseite und auch die Kurzhubtaster sind auf der Kupfer-Seite eingelötet. Schaltung und Verdrahtungsplan siehe weiter unten beim Download.

Tip für die genaue Lage der Bohrungen im Deckel: An den Ecken der fertig zugeschnittenen Lochrasterplatte werden die Löcher, in der die M2-Schrauben kommen, vorsichtig auf 2 mm aufgebohrt. Der Mittelpunkt der LEDs und der Taster liegt zwischen zwei Lochrasterbohrungen. An diesen Stellen wird mit einem Handbohrer eine zusätzliche 1 mm Bohrung angebracht. Die Platine wird in den Deckel an die richtige Stelle gelegt und mit einem 2 mm Handbohrer die Stellen für die 2 mm Bohrungen "markiert". Diese werden dann erst mit 1 mm durchbohrt und dann auf 2 mm aufgebohrt. Die Platine wird eingelegt und die 2 mm Schrauben eingesetzt. Jetzt können auf dieselbe Weise per 1 mm Bohrer die Positionen der LEDs und Taster markiert. Die Platine wird wieder entfernt, die markierten Stellen gebohrt und dann auf den richtigen Durchmesser aufgebohrt (bei mir: Taster 2,5 mm, rote und grüne LED 5 mm, weiße LED 3 mm). Danach können die Löcher für die LEDs auch in der Platine aufgebohrt werden.

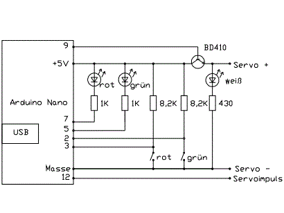
Schaltungsbeschreibung (Bild 9): Die Stromversorgung von Nano und Servo erfolgt über den USB-Anschluss des Nanos. Der Nano erzeugt an Pin 12 den Servo-Impuls, steuert die Status-LEDs (rot, grün) und fragt die Taster ab. Die Taster sind als Pull-Down realisiert, deshalb braucht es die Pull-Up-Widerstände (Hätte man auch umgekehrt machen können). Als Besonderheit steuert der Nano zusätzlich noch die Spannungsversorgung des Servo-Ausgangs, damit das nervige Brummen des nicht sehr stabil arbeitenden Micro-Servos in der Endlage unterdrückt wird. Das Servo bekommt also nur dann Betriebsspannung, wenn es sich bewegen soll. Zwischen den Bewegungen ist es abgeschaltet. Eine weiße LED signalisiert den Spannungszustand des Servos. Dieses Prinzip hat sich in der Praxis leider nicht bewährt (siehe unten 'Praxistests').

Software: Implementiert sind der Betriebs-Modus und ein Kalibrierungs-Modus. Im Betriebsmodus bewirkt das Betätigen eines Tasters die Fahrt in eine der Endlagen und die Umschaltung der Status-LEDs (rot-grün). Im Kalibrierungs-Modus können die beiden Endlagen eingestellt werden. Diese werden nach erfolgter Kalibrierung im EEPROM des Nanos gespeichert, stehen also auch nach Ausschalten und wieder Einschalten zur Verfügung. In den Kalibrierungs-Modus gelangt man, indem man gleichzeitig beide Taster drückt, erst den der bereits erreichten Endlage, dann den jeweils anderen. Die angewählte Endlage kann jetzt durch wiederholtes Drücken der Taster justiert werden. Dabei sollte die Stellung der Flügel am Signal beobachtet werden. Während der Kalibrierung bleibt das Servo ständig unter Strom, was sich gut an der weißen LED erkennen lässt. Betätigt man etwa 5 Sekunden keine der beiden Taster, fällt die Software zurück in den Betriebsmodus und merkt sich den eingestellten Wert im EEPROM. Hat man sich mit den Endlagen mal vertan, kann man statt des Signals auch ein normales Servo anschließen, die Endlagen auf die Mittelstellung setzen und dann mit dem Signal noch einmal probieren.

Source-Code siehe unten beim Download, leider recht sparsam kommentiert.

Bild 9 Schaltplan.

Bild 10 Vorder- und Rückseite der Platine.

Bild 11 Alle Einzelteile.

Bild 12 Zwei fertige Schaltboxen.


Praxistests: Leider zeigte es sich, dass am Servo zu wenig Betriebsspannung (3,9V) für ein sicheres Bewegen der Signalflügel ankommt. Die 1,1 V Spannungsabfall über dem Transistor sind hier zu viel. Zu Testzwecken habe ich die eine der Schaltboxen mit zwei Jumpern ausgestattet. Der eine Jumper brückt den Transistor, der andere stellt die Verbindung zwischen Transistor-Basis und Nano her. Durch Umstecken kann ich also den Transistor entweder brücken oder aktivieren. Im überbrückten Zustand liegen volle 5V Betriebsspannung am Servo an, leider aber auch ständig. Das führt leider zu gelegentlichen Knarren in der Endlage des Servos, wenn es scheinbar etwas zu korrigieren gibt. Jedoch ist auf diese Weise ein sicheres Erreichen der beiden Endpositionen gewährleistet.

Eigentlich müsste die Schaltung dahingehend modifiziert werden, dass der Transistor eine Spannung von 6V schaltet, von der dann 5V am Servo übrig bleiben. Der Nano müsste nicht über den USB-Anschluss versorgt werden, sondern über einen dafür vorgesehenen Anschluss, der laut Datenblatt leider mindestens 7V braucht. Also: Betrieb über ein 9V-Netzteil mit separater und schaltbarer Stabilisierung auf 5V nur für das Servo?

Bild 13 Die Brücken. Gesteckt ist die Überbrückung des Transistors. Basisansteuerung des Transistors ist offen


Downloads

Schaltung und Verdrahtungsplan der Platine als PDF

Source-Code für die Software des Nanos